
MIL-DTL-18295F
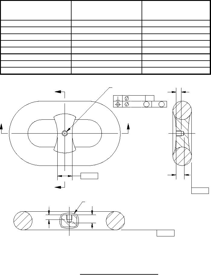
All dimensions in inches (mm).
Nominal
Minimum full
Maximum hole
chain size (d)
thread depth, "X"
depth, "Y"
(in.)
(mm)
(in.)
(mm)
(in.) (mm)
1.75 (44.45)
0.625 (15.88)
0.812 (20.62)
2.00 (50.80)
0.750 (19.05)
0.914 (23.22)
2.25 (57.15)
0.750 (19.05)
0.914 (23.22)
2.50 (63.50)
0.750 (19.05)
0.914 (23.22)
2.75 (69.85)
0.750 (19.05)
0.914 (23.22)
3.00 (76.20)
0.750 (19.05)
0.914 (23.22)
3.50 (88.90)
0.750 (19.05)
0.914 (23.22)
4.00 (101.60)
0.750 (19.05)
0.914 (23.22)
.375-16 UNC-2B, CRS
B
.50 DIA X 83° CSK
X
.062
A
.062 M B M
A
A
Y
-B-
B
-A-
STUD
SECTION B-B
X
Y
-A-
SECTION A-A
FIGURE 1b. Anode mounting hole (type 1 chain).
26
For Parts Inquires submit RFQ to Parts Hangar, Inc.
© Copyright 2015 Integrated Publishing, Inc.
A Service Disabled Veteran Owned Small Business